友善專區
專業人士招募
登入
/
註冊
搜尋
全球TOTO
TOTO 台灣 - 衛浴/馬桶/溫水洗淨便座/臉盆/龍頭/浴缸
關於TOTO
關於TOTO
TOTO 信念
關於TOTO 集團
TOTO 歷史
TOTO 淨美革新
溫水洗淨便座沿革
TOTO GLOBAL
設計獎項
iF Design Award
Good Design Award
Red Dot Award
GREEN GOOD DESIGN AWARDS
認證標章
金級省水標章
省水標章
無鉛標章
ROHS
BSMI
最新消息
最新產品訊息
最新公告
CSR 企業社會責任活動
TOTO Channel
創新科技
溫水洗淨便座技術
Actilight
電解除菌水
前噴霧
AIR-IN WONDER WAVE
空氣水珠洗淨
抗污白晶噴嘴
自動掀蓋、馬桶自動洗淨
溫熱便座
除臭
暖風烘乾
黃金43度角
無縫便座
馬桶技術
喜貼心抗污釉
緣弧設計
水龍捲洗淨
龍頭及淋浴技術
靜謐水流
暖身模式
舒膚模式
醒膚模式
更多相關技術
浴缸技術
太空寢浴
水魔力
悠揚曲線
更多技術
纖曲設計
光觸媒
TOTO商品
推薦商品
溫水洗淨便座
水龍捲馬桶
商品分類
除菌全自動馬桶
全自動馬桶
溫水洗淨便座
馬桶
便座
臉盆
龍頭及淋浴
小便斗
浴缸
浴室換氣暖房乾燥機
烘手機
浴室配件
沖水閥
系列
NEOREST
CONTEMPORARY
絢彩龍頭和淋浴
絢彩臉盆
更多系列
公共空間規劃
公共空間
住宅無障礙衛浴
新品上市
商品型錄
WASHLET 購買諮詢
展示經銷
台北展示旗艦店
台北展示旗艦店將進行全面改裝升級,改裝期間將暫停對外開放。
休館期間將提供「線上視訊接待」與「電話諮詢」服務,
由專人為您進行產品解說,持續協助您規劃理想的衛浴空間!
更多資訊
立即預約線上接待
全台展示經銷據點
大台北地區
桃竹苗地區
中彰投地區
雲嘉南地區
高屏地區
宜蘭花東地區
離島地區
WASHLET 線上購買
客戶服務
售前服務
WASHLET 購買諮詢
售後服務
維修服務
零件價格
商品裝修與保養
商品基礎知識
基礎障礙排除
清潔保養小常識
商品使用說明書下載
衛浴小學堂
馬桶推薦
廁所裝潢
浴室設計
淋浴間
廁所扶手
浴室洗手台
商品案例
工程案例
設計師推薦
產品使用分享
聯絡我們
訂閱電子報
首頁
馬桶
壁掛式
CW822REATW(沖水閥式)
CW822REATW(沖水閥式)
沖水閥式/壁掛馬桶
NT$ 16,000
規格
下載
產品型號
CW822REATW(沖水閥式)
尺 寸
W380xD540xH335mm
洗凈水量
4.8L / 3.0L
排水距離
220mm
洗淨方式
龍捲上旋式
電 壓
(沖水閥)100~240V
備 註
請依配管需求擇一購買排水管。
相關商品
支架 WH005AG NT$ 10000
排水管 HP513TG-S(L型) NT$ 2000
排水管 HP513TPG-S(I型) NT$ 2000
沖水閥 TREF35L2A1(一體型) NT$ 54800
沖水閥 TREF36L2A1(別體型) NT$ 54800
便座 TC400CVK-1 NT$ 3600
詳細規格
尋找展示經銷據點
WASHLET 購買諮詢
產品技術與特色
最後更新時間:2026/2/3
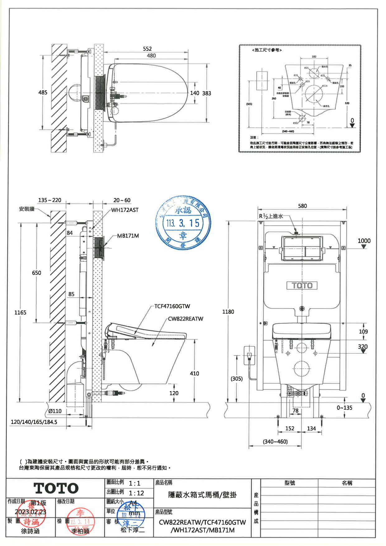
商品尺寸圖
CW822REA+TC400CVK-1(EFV組合)
CW822REA+TC400CVK-1(EFV組合)
CW822REA+TC400CVK-1(EFV組合)
CW822REA+TC400CVK-1(EFV組合)
CW822REATW/TC400CVK-1/ WH005AG/TREF36L2A1/ HP513TG-S
CW822REATW/TC400CVK-1/ WH005AG/TREF36L2A1/ HP513TG-S
CW822REATW/TC400CVK-1/ WH005AG/TREF36L2A1/ HP513TPG-S
CW822REATW/TC400CVK-1/ WH005AG/TREF36L2A1/ HP513TPG-S
安裝說明書
CW822REATW
TREF35L2A1
WH142AS
WH172AS
WH172AST
WH172ASAT
TREF36L2A1
WH005AG
使用說明書
CW822REATW
TREF35L2A1
認證標章
金級省水標章 250900070601
金級省水標章 251100071301
金級省水標章 251100071302
登入後可下載 CAD 尺寸圖及提案書
立即登入
分享
複製連結
Facebook
電子郵件
喜貼心抗污釉
應用於陶瓷類商品(馬桶、小便斗、臉盆),創新研發的陶瓷用藥,超越奈米尺度的超平滑表面,不給污垢容納的空隙,讓污垢難以黏附,清潔更輕鬆。
瞭解詳情
緣弧設計
難以清掃的馬桶邊緣,改成平滑的形狀,不需特別出力,就能輕鬆擦拭清潔。
瞭解詳情
水龍捲洗淨
獨創的龍捲水流,延無稜內壁持續迴旋數回,漩渦式加速而下,強勁沖洗馬桶內壁的同時,也達到靜音的要求,實現沖洗品質的突破。
瞭解詳情
金級省水標章
台灣水利署之金級省水認證。
瞭解詳情
您最近瀏覽過的商品
TOTO 台灣 - 衛浴/馬桶/溫水洗淨便座/臉盆/龍頭/浴缸
個資保護法
|
TOTO 聲明
|
訂閱電子報
|
聯絡我們
|
友善專區
|
切換手機版
© TOTO LTD.
BACK
全球TOTO
GLOBAL
AMERICAS, EUROPE
USA
EUROPE
ASIA OCEANIA
CHINA
HONG KONG
TAIWAN
INDIA
JAPAN
KOREA
OCEANIA
SINGAPORE
THAILAND
VIETNAM
關閉視窗